English
Español
Português
русский
Français
日本語
Deutsch
tiếng Việt
Italiano
Nederlands
ภาษาไทย
Polski
한국어
Svenska
magyar
Malay
বাংলা ভাষার
Dansk
Suomi
हिन्दी
Pilipino
Türkçe
Gaeilge
العربية
Indonesia
Norsk
تمل
český
ελληνικά
український
Javanese
فارسی
தமிழ்
తెలుగు
नेपाली
Burmese
български
ລາວ
Latine
Қазақша
Euskal
Azərbaycan
Slovenský jazyk
Македонски
Lietuvos
Eesti Keel
Română
Slovenski
मराठी
Srpski језик
製品の特徴エス
1、DC 発電と DC 蓄電、効率が高く、損失が低く、太陽光発電と蓄電電力に適しています。
負荷電力がオフグリッドのシナリオよりも。
2、IP65保護、屋外使用を満たします。近くの MPPT ブースト コンバージェンス出力により、配線の防止に役立ちます
複数の太陽光発電 (PV) ケーブルが長距離にわたってオールインワン システムに伝送されることによって引き起こされる混乱。
3、200-900Vの広い電圧範囲の太陽光発電入力で、業界の大電流太陽光発電モジュールへのアクセスをサポートします。
4、マルチチャンネルMPPT、PVパネルマルチアングルに対応
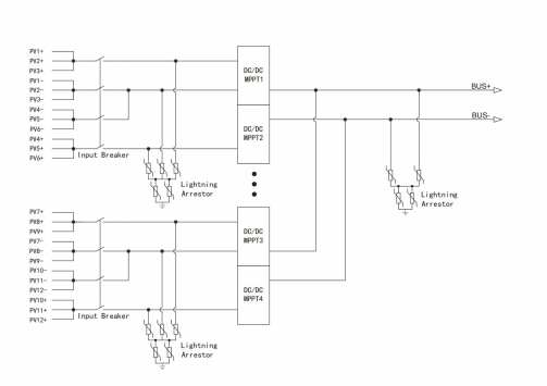
配線図

仕様
| モデル | MPPT-8 | MPPT-6 | MPPT-12 | |
| PV側インターフェース パラメータ |
PVアレイの最大電圧 | 900V | ||
| MPPT電圧範囲 | 200V-900V | |||
| 定格 MPPT 電圧範囲 | 560V-900V | |||
| 最大分岐電流 | 24A | 20A | ||
| PV入力ストリング数 | 8 | 6 | 12 | |
| MPPTの数 | 8 | 2 | 4 | |
| MPPTごとの電流 | 20A | 55A | ||
| 出力パラメータ | 電圧範囲 | 600-950V | ||
| 定格電圧 | デフォルト716.8V、調整可能 | |||
| 定格出力電流 | 118A | 84A | 168A | |
| 定格出力電力 | 84kW | 60kW | 120kW | |
| 最大出力電流 | 192A | 120A | 240A | |
| システムパラメータ | EU圏 | 99.4% | ||
| iPグレード | IP65 | |||
| 冷却コンセプト | 自然対流 | 強制空冷 | ||
| 寸法(幅*奥行き*高さ) | 550×530×280mm | 630×460×260mm | 630×460×260mm | |
| 重さ | 42kg | 25kg | 30kg | |
| 動作温度 | -30~55℃ | |||
| 電源モード | セルフパワー(夜間電力消費なし) | |||
| 通信インターフェース | RS485 | |||
