English
Español
Português
русский
Français
日本語
Deutsch
tiếng Việt
Italiano
Nederlands
ภาษาไทย
Polski
한국어
Svenska
magyar
Malay
বাংলা ভাষার
Dansk
Suomi
हिन्दी
Pilipino
Türkçe
Gaeilge
العربية
Indonesia
Norsk
تمل
český
ελληνικά
український
Javanese
فارسی
தமிழ்
తెలుగు
नेपाली
Burmese
български
ລາວ
Latine
Қазақша
Euskal
Azərbaycan
Slovenský jazyk
Македонски
Lietuvos
Eesti Keel
Română
Slovenski
मराठी
Srpski језик |
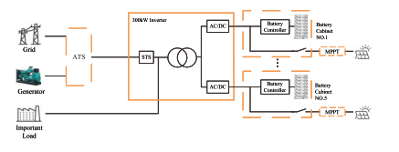
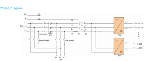
特徴 このシステムは、モジュール式インバータユニットを並列構成で利用します。 各インバーター モジュールの DC 入力は専用のバッテリー キャビネットに対応します。 クラスターごとの管理を可能にして、クラスター間での循環電流を排除します。 バッテリーの紐。 AC/DC 電源モジュールは、数量と数量の両方で柔軟な導入をサポートします。 定格電力、5 ユニット並列で最大容量 60kW モジュール 構成。 電源モジュールからの AC 出力は変圧器を介して供給されます。 絶縁された出力段、耐衝撃性に優れた負荷に電力を供給します。 現在のショック。 ハイブリッド ESS は DC 結合太陽光発電統合を採用しており、高い エネルギー変換効率を向上させ、太陽光発電によるオフグリッド シナリオ向けに最適化 負荷需要を超える発電容量。屋外定格 MPPT コントローラー コンバイナーと MPPT の機能を単一の強化されたエンクロージャに統合します。 完全なシステムには、ディーゼル発電機 ATS オプション、300kW ハイブリッドが含まれます。 インバーター、PV MPPT コントローラー、バッテリーエネルギー貯蔵システム。
特徴 このシステムは、モジュール式インバータユニットを並列構成で利用します。 各インバーター モジュールの DC 入力は専用のバッテリー キャビネットに対応します。 クラスターごとの管理を可能にして、クラスター間での循環電流を排除します。 バッテリーの紐。 AC/DC 電源モジュールは、数量と数量の両方で柔軟な導入をサポートします。 定格電力、5 ユニット並列で最大容量 60kW モジュール 構成。 電源モジュールからの AC 出力は変圧器を介して供給されます。 絶縁された出力段、耐衝撃性に優れた負荷に電力を供給します。 現在のショック。 ハイブリッド ESS は DC 結合太陽光発電統合を採用しており、高い エネルギー変換効率を向上させ、太陽光発電によるオフグリッド シナリオ向けに最適化 負荷需要を超える発電容量。屋外定格 MPPT コントローラー コンバイナーと MPPT の機能を単一の強化されたエンクロージャに統合します。 完全なシステムには、ディーゼル発電機 ATS オプション、300kW ハイブリッドが含まれます。 インバーター、PV MPPT コントローラー、バッテリーエネルギー貯蔵システム。
仕様 |
|||||
| モデル | P200TS-400-A | P250TS-400-A | P300TS-400-A | ||
|
DC側パラメータ |
電圧範囲 | 650-950Vdc | |||
| モジュールごとの入力スイッチ | 250A | ||||
| DCチャンネル数 | 3ウェイ | 4ウェイ | 5ウェイ | ||
|
AC側パラメータ (系統接続) |
定格出力電力 | 200kW | 250kW | 300kW | |
| 最大出力電力 | 220kW | 275kW | 330kW | ||
| 定格出力電流 | 289A | 361A | 433A | ||
| THDi | <3% | ||||
| グリッドタイプ | 3W+N+PE | ||||
| 電圧範囲 | 360Vac~440Vac | ||||
| 周波数範囲 | 45~55Hz/55~65Hz | ||||
| 力率 | -1~1 | ||||
|
島嶼 AC側パラメータ |
定格出力電力 | 200kW | 250kW 300kW | ||
| 定格出力電圧 | 400Vac | ||||
| 定格出力周波数 | 50/60Hz | ||||
| THDu | <1% 線形、<5% 非線形、<1% 線形、<5% 非線形 | ||||
| 過負荷容量 | 10 分間で 110% の過負荷10 分間で 110% | ||||
|
グリッドアイランディング トランスファーおよび開閉装置 |
メンテナンスバイパススイッチ | 400A | 630A | ||
| グリッドスイッチ | 630A | 800A | |||
| ロードスイッチ | 400A | 630A | |||
| STSユニット | 577A/400kW | 722A/500kW | |||
| 切り替え時間 | <20ms | ||||
|
システムパラメータ |
ピーク効率 | 97.5% | |||
| 動作温度 | -30~55℃-30~55℃(40℃以上はディレーティング) | ||||
| 相対湿度 | 0~95%RH、0~95%RH、結露なきこと | ||||
| 寸法(長さ*奥行き*高さ) | 1300×1050×2050mm | ||||
| 重さ | 1400kg | 1700kg 1800kg | |||
| IPグレード | IP21 IP21(フルセット) | ||||
| ノイズ | <70dB | ||||
| 表示画面 | LCDタッチスクリーン | ||||
| BMS通信 | できる | ||||
| EMS通信 | TCP/IP | ||||